中国汽车工程师之家--聚集了汽车行业80%专业人士 

论坛口号:知无不言,言无不尽!QQ:542334618 

本站手机访问:直接在浏览器中输入本站域名即可 

搜索附件  
汽车工程师之家 附件中心 用车、改装、维修专区 『汽车电子电器维修(综合)』 轿车防滑制动系统故障诊断方法解析.txt

轿车防滑制动系统故障诊断方法解析.txt

 

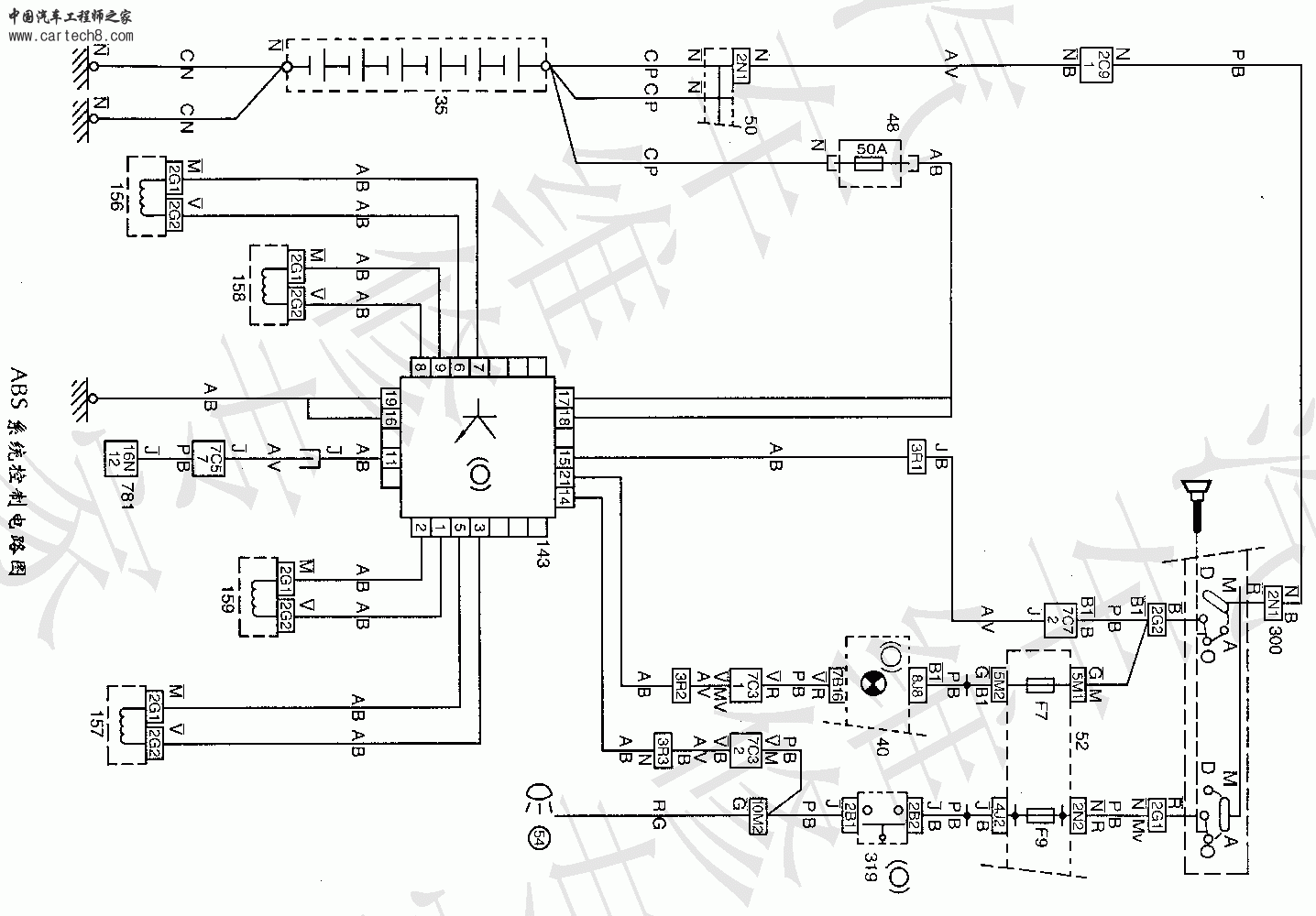
汽车ABS电路图 轿车防滑制动系统故障诊断方法:
汽车ABS电路图 轿车防滑制动系统故障诊断方法
li hai
怎么才可以看图啊

QQ|手机版|小黑屋|Archiver|汽车工程师之家 ( 渝ICP备18012993号-1 )

GMT+8, 13-4-2026 19:55 , Processed in 0.339959 second(s), 22 queries .

Powered by Discuz! X3.5

© 2001-2013 Comsenz Inc.